The capacity of fish meal processing plant
what is the capacity of fish meal do you need? 300kg/h or? You asked me quotation of 300kg/h, but it seems the capacity is more than 1000kg/h of your drawing.

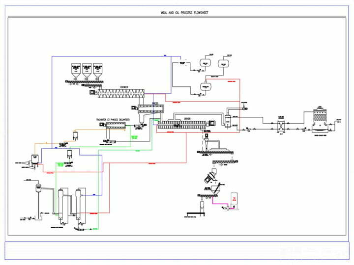
The onboard fish meal plant needed is for 300kg/h, all the accessory equipment not included in basic meal plant quotation in our drawings are based on equipment we found on Alibaba and some suggestions of local providers. If you can make suggestions for some changes it is welcomed. The crucial think is to include the equipment drawn for a good process having your meal plant as the core.
About the food reception

1. The material is fish silage and malt and vegetable waste, they are liquid material or? Can you tell me the viscosity of mixed material?
Yes, the material of the onboard fish meal plant is fish silage, malt and vegetable waste. The viscosities of mixed material is 2475 cP ( near 2500 cP).
2. the material of tanks is Stainless steel,right? The thickness is 3mm is too thin, here suggest 5mm at least.
We take the suggestion of 5 mm. Thank you.
3. What is your voltage? Do you have special request on the motor brand? 2.2kw is not enough for 2.5m³ and 3m³ tank working, we will recommend you the suitable motor.
Our voltage is 220V;380V;50Hz. We do not request an specific brand. Please recommend suitable motor, we took the information from a local supplier.
Fish meal packing
Autoclave,it is for what material please? What kind of the packing method? Glass bottle or plastic packing?

We want to use it for cans and plastic packing. We understand there is equipment that can work with both formats.
Fishmeal screw press
screw press: for what material please? And capacity per hour?

This is for the frass, it is the substrate obtained after the larvae where separated. Its composition is larvae defecations and fibers. Here Is a picture for a better idea. It can be used as Fertilizer.
